Open Data Access
ASTIH: Axon Segmentation
Training Initiative for Histology
A curated collection of diverse microscopy datasets (TEM, SEM, BF) designed to benchmark and train axon and myelin segmentation models.
Scalebars: TEM1: 1 μm; TEM2: 4 μm; SEM1: 30 μm; BF1: (left) 100 μm, (right) 50 μm; BF2: 50 μm.
terminal
$ git clone https://github.com/axondeepseg/ASTIH.git
Copied!
Datasets
Click on a dataset to see more information.
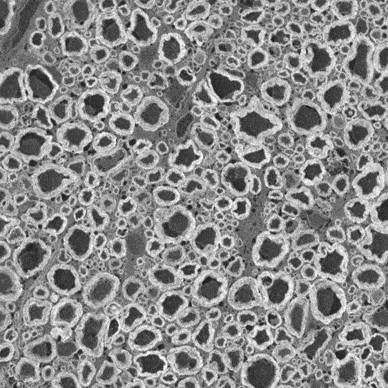
TEM
TEM1
Corpus callosum of control and cuprizone-intoxicated mice
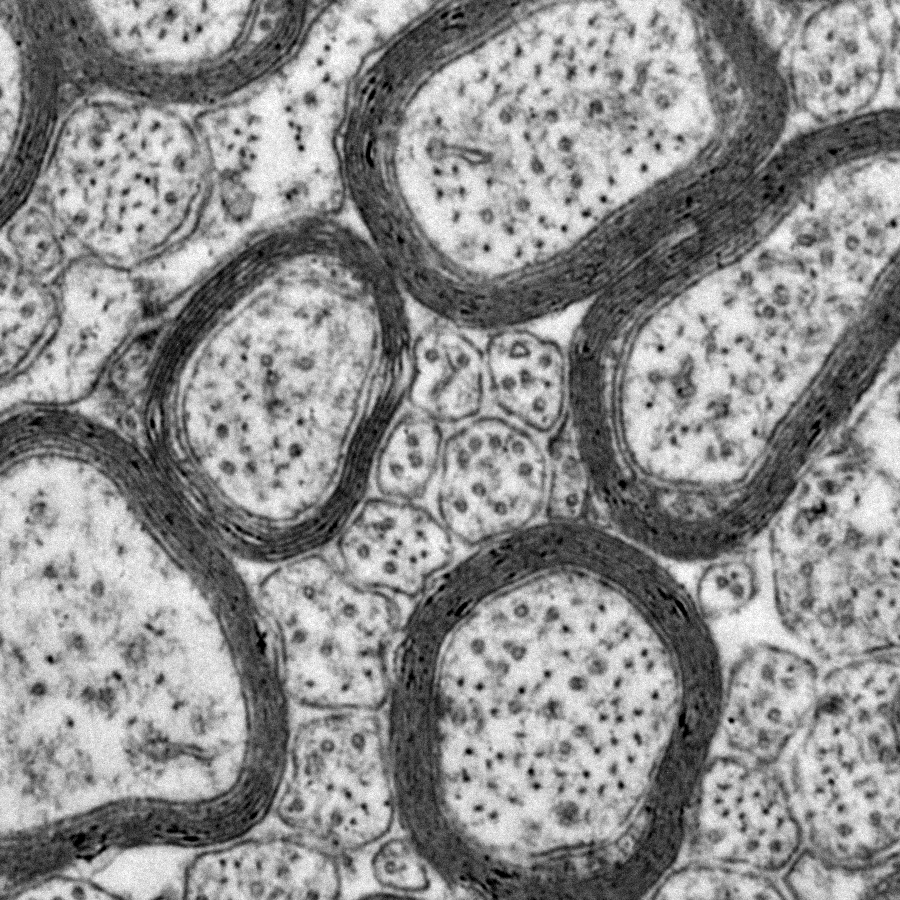
TEM
TEM2
Corpus callosum of control and SRF conditional knockout mice
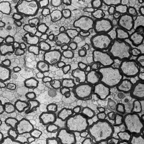
SEM
SEM1
Rat spinal cord
BF
BF1
Peripheral rat nerves at different regeneration stages
BF
BF2
Peripheral rabbit nerves in experimental nerve repair study
* The get_data.py script downloads all datasets in the data/ directory.